Let-off mechanism (electronic let-off mechanism)
With the increasing improvement of modern loom technology, the expansion of the range of high-end fabrics weaved by water-jet looms, and the progress in automation and high-speed, it is required that the linkage and cooperation between the various mechanisms of the loom should be further strengthened, with higher precision and more responsiveness. Sensitive and precise. The mechanical let-off mechanism can no longer meet the high performance requirements. The electronic let-off mechanism is increasingly used in water-jet looms. It has the characteristics of simple structure, sensitive response, precise adjustment, convenient operation, and can realize centralized microcomputer control, which fully reflects the advantages of mechatronics. Electronic let-off devices generally use non-electrical measurement methods to collect warp tension signals. After processing the signals with electronic or microcomputer technology, they control and adjust a separate motor to drive the weaving beam to send out warp yarns and maintain constant warp tension. .
The electronic let-off device generally consists of a motor, a reduction gearbox, a tension signal acquisition system, and a control system.
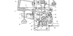
1. The composition of the electronic let-off system is shown in Figure 3-17.

2. Warp yarn delivery device
The current water jet loom The warp feed-out device is mostly driven by a servo motor alone, and early electronic warp feed-off devices also used torque motors or stepper motors. The power is transmitted to the warp beam pinion through the reduction gear box and the worm gear box 2, and then to the weaving beam through the warp beam disc large gear, so that the warp yarns are continuously sent out. The device has fewer transmission links and increases the reliability of the transmission.
3. Warp tension detection and adjustment device
This part is the core of electronic let-off. The magnitude of the warp tension causes the tension sensor 8 to deform through the back beam roller 3, the back beam roller bracket 4, the easing arm 5, the easing spring 6, and the tension rod 7, and transmits the tension signal to the control system to control the rotation of the servo motor. It is transmitted to the warp beam through the reduction box to keep the warp tension stable. The signals collected in this way have good continuity and the manipulation part is easy to process. Therefore, the warp yarns can maintain a certain stable tension from the full shaft to the machine, and weave high-quality fabrics.
4. Warp let-off detection and adjustment device
This part is also controlled by a servo motor. When the weft density changes, it only needs to be preset without changing the gear. In summary, whether it is mechanical let-off or electronic let-off, its general working principle is to use a movable back beam or other detection parts to sense the dynamic tension of the warp. After appropriate processing, the swing of the back beam or other sensing information is adjusted. The amount of warp yarn delivery is adjusted to maintain the constant tension or dynamic tension of the warp yarn on the machine. The let-off amount can be seen as consisting of two parts: one is the basic let-off amount per weft determined by the fabric type, and the other is the let-off correction amount determined by the fluctuation of warp tension. The warp yarn tension on the machine and the fabric type determine the balance position of the back beam and the initial state of other adjusting parts; relative to the gradually smaller diameter of the weaving beam, the back beam constantly has a new balance position, thereby controlling the basic part of the warp let-off amount; and The tension fluctuation causes the rear beam system to swing relative to the equilibrium position, which corresponds to the compensation and correction part of the let-off amount.
AAA57865ERT34GSD
Disclaimer:
Disclaimer: Some of the texts, pictures, audios, and videos of some articles published on this site are from the Internet and do not represent the views of this site. The copyrights belong to the original authors. If you find that the information reproduced on this website infringes upon your rights, please contact us and we will change or delete it as soon as possible.
AA


