Antistatic fabric design examples
Antistatic fabric design examples The resistance value is 106~107Ω*cm. The antistatic base fabric can be made from conductive fiber and polypropylene blended chemical fiber fabric. Due to the conductivity of th…
Key points in the design and production process of antistatic fabrics
Key points in the design and production process of antistatic fabrics AAAVBJYTUJGHNH
Production technology and key points of Tencel fiber fabric
The production process and key points of Tencel fiber fabric AAAERT5Y4375JTY
Design of main structural parameters of Tencel fiber fabric
Design of main structural parameters of Tencel fiber fabric 1. Raw material selection Raw material selection includes the linear density, length and quality characteristics of the fiber. If it is a blended chem…
Tencel fiber processing
Tencel fiber processing Compared with the production process of viscose fiber, the production process of Tencel fiber does not require chemical reactions, and the cellulose molecules avoid degradation caused by…
Overview
Overview For more than 100 years, regenerated cellulose fiber has been deeply loved by consumers for its good hygroscopicity, antistatic properties and good coloring properties. Before the 1970s, viscose fiber,…
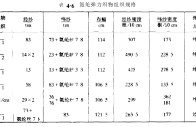
Stretch fabric design examples
Stretch fabric design examples 1. Design and production of yarn-dyed stretch fabrics Mixing spandex into fabrics is a major trend in the fabric industry. The application of spandex in the yarn-dyed industry has…
Production technology and key points of elastic fabric
The production process and key points of elastic fabric The warp direction process of weft stretch fabric is the same as the coloring process of pure cotton pulp. The process routes of warp and two-way elastic …
Design of main structural parameters of elastic fabric
Design of main structural parameters of elastic fabric 1. Things to note when designing elastic fabrics (1) In addition to making the fabric achieve the required wind characteristics, product specification desi…


